¿·¢Ò»´¥¼´·¢
Language
EN
¤e
ÖÐÎÄ
English
España
P§å§ã§ã§Ü§Ú§Û
Portugal
Français
???????
?
×ß½ø¿·¢Ò»´¥¼´·¢
¶Ê³¤Ö´Ç
Á˽⿷¢Ò»´¥¼´·¢
Éú³¤Àú³Ì
¹«Ë¾ÈÙÓþ
¿·¢Ò»´¥¼´·¢ÎÄ»¯
Éç»áÔðÈÎ
ÁªÏµ¿·¢Ò»´¥¼´·¢
¿·¢Ò»´¥¼´·¢Çé¿öÏȺóÈÙâßÖйú»úе¹¤Òµ½¹µã¾ºÕùÁ¦30¼Ñ¡¢Öйú»úе¹¤Òµ100Ç¿¡¢×°±¸Öйú¹¦Ñ«ÆóÒµ¡¢±£»¤³ôÑõ²ãʾ·¶ÆóÒµµÈ³Æºô¡£
Á˽â¸ü¶à
¥Y
ÐÂÎÅ×ÊѶ
ÆóÒµÐÂÎÅ
ýÌå¾Û½¹
רÌⱨµÀ
ÊÓÆµÖÐÐÄ
¿·¢Ò»´¥¼´·¢Çé¿öÒÔÕñÐËÃñ×幤ҵ¡¢³É¼¨¿Í»§¼ÛֵΪ¼ºÈΣ¬ÒÔ¡°ÖÂÁ¦ÓÚÈËÀàÉú»îÖÊÁ¿µÄÌá¸ß¡±ÎªÆóҵʹÃü£¬Á¬Ðø´òÔìºÍÌáÉýÔÚÄÜÔ´×ÛºÏÀûÓÃÁìÓòµÄ¾ºÕùÓÅÊÆ£¬¼ÓËÙÍÆ½øÈ«Çò»¯½ø³Ì£¬Å¬Á¦´òÔì³ÉΪ¾ßÓн¹µã¾ºÕùÁ¦¡¢ÉîÊÜÔ±¹¤ÁµÄ½¡¢ÖµµÃÐÐҵͬ°é×𾴵ĻùÒµ³¤ÇàÆóÒµ¡£
Á˽â¸ü¶à
¥Y
¹¤ÒµÁìÓò
¹¤ÉÌÖÆÀä
ůͨ¿Õµ÷
ÂÌÄÜ×°±¸
¾«ÃܳÉÐÍ
ÊýÖǹ¤Òµ
¿·¢Ò»´¥¼´·¢Ê¼´´ÓÚ1956Ä꣬ÊǶàÔª»¯¡¢¹ú¼Ê»¯µÄ×ÛºÏÐÔ×°±¸¹¤ÒµÆóÒµ¡£Ö÷ÓªÒµÎñº¸Ç¹¤ÉÌÖÆÀ䡢ůͨ¿Õµ÷¡¢ÂÌÄÜ×°±¸¡¢¾«ÃܳÉÐÍ¡¢ÊýÖǹ¤ÒµµÈ¹¤Òµ¼¯Èº¡£
Á˽â¸ü¶à
¥Y
²úÆ·ÖÐÐļ°½â¾ö¼Æ»®
ÖÆÀäѹËõ»ú×é
¹¤ÒÕÀäÈ´»ú×é
ůͨ¿Õµ÷²úÆ·
ÎüÊÕʽ»ú×é
¹¤ÒÕÆøÌåѹËõ×°±¸
µ¥ÌåËÙ¶³¼°Õæ¿Õ¶³¸ÉÉ豸
¹¤Òµ»»ÈÈ×°ÖÃ
ѹÁ¦ÈÝÆ÷¼°¾«ÃÜÖý¼þ
ϵÁйøÂ¯²úÆ·
ÆäËüÉ豸
Á¢Òì²úÆ·
½â¾ö¼Æ»®
ÂݸËÊ½ÖÆÀäѹËõ»ú×é
»îÈûÊ½ÖÆÀäѹËõ»ú×é
ÂݸËʽÀ䣨ÑΣ©Ë®»ú×é
ѹËõÀäÄý»ú×é
ÂݸËʽÀäË®£¨Èȱã©»ú×é
ÀëÐÄʽÀäË®£¨Èȱã©»ú×é
ÆäËü²úÆ·
ÎüÊÕÊ½ÖÆÀ䣨ÈÈ£©×°±¸
ÎüÊÕʽÈȱÃ×°±¸
ÎüÊÕʽ´óβÈÈ×°±¸
ÓàÈȽÓÄÉ×°±¸
ÆäËü¸¨ÖúÉ豸
¿ÕÆøÑ¹Ëõ×°±¸
ÌØÊ⹤ÒÕÆøÌåѹËõ×°±¸
µ¥ÌåËÙ¶³É豸
Ò½Ò©¶³¸ÉÉ豸
ʳƷ¶³¸ÉÉ豸
Õô·¢Ê½ÀäÄý/ÀäÈ´Æ÷£¨ÊªÊ½¿ÕÀäÆ÷£©
Àä·ç»ú
°å³á»»ÈÈÆ÷
ѹÁ¦ÈÝÆ÷
¾«ÃÜÖýÔì²úÆ·
¹øÂ¯²úÆ·
´¬ÓÃÖÆÀäÉ豸
Ƭ±ù»ú
¹ÈÀä»ú
½à¾»´¦ÀíÉ豸
×Ô¶¯»¯²Ö´¢¼¯³É
Á¢Òì²úÆ·
¿·¢Ò»´¥¼´·¢Çé¿öÒÔÀäÈÈͬ²½Éú³¤¡¢»ý¼«ÍØÕ¹½ÚÄÜ»·±£¹¤ÒµÎªÉú³¤Õ½ÂÔ£¬´ÓʵÍÎÂÇé¿ö¡¢ÓàÈȽÓÄÉ¡¢ÆøÌåѹËõ¡¢¹¤Òµ»»ÈÈ¡¢¶¼»á½ÚÄܹ©ÈÈ¡¢ÖÇÄÜÖýÔì¡¢³¬¾»ÅŷŵÈÁìÓòµÄ¼¼ÊõÑз¢¼°ÆäÏà¹Ø³ÉÌ×É豸µÄÉú²úÓëÏúÊÛ
Á˽â¸ü¶à
¥Y
¼¼ÊõÁ¢Òì
Á¢ÒìÆ½Ì¨
Á¢ÒìÄÜÁ¦
Á¢Òì½á¹û
¿·¢Ò»´¥¼´·¢Çé¿öÓµÓйú¼ÒÈ϶¨ÆóÒµ¼¼ÊõÖÐÐĵÈ5¸ö¹ú¼Ò¼¶¿Æ¼¼Á¢ÒìÆ½Ì¨¼°É½¶«Ê¡½ÚÄÜ»·±£ÖÆÀäÉè±¸ÖØµãʵÑéÊÒµÈ14¸öÊ¡¼¶¿Æ¼¼Á¢ÒìÆ½Ì¨¡£¹«Ë¾±»È϶¨Îª¹ú¼Ò»ð¾æ¼Æ»®Öصã¸ßм¼ÊõÆóÒµ£¬ÓµÓйú¼ÒרÀû¼¼Êõ263ÏÏȺóÖ÷³ÖºÍ¼ÓÈëÖÆ¶©¹ú¼Ò±ê×¼20Ïî¡¢ÐÐÒµ±ê×¼32Ïî¡£
Á˽â¸ü¶à
¥Y
ЧÀÍÖ§³Ö
ЧÀÍÀíÄî
ÓªÏúÍøÂç
ÔÚÏß×Éѯ
MICSЧÀÍÔÆ
×ÊÁϲéÔÄÓëÏÂÔØ
¿·¢Ò»´¥¼´·¢Çé¿ö±é²¼È«Çò40¶à¸ö¹ú¼ÒµÄÉú²ú»ùµØ¡¢¿ÆÑÐÖÐÐļ°ÓªÏúЧÀÍ»ú¹¹£¬ÒÔÄþ¾²¡¢»·±£¡¢½ÚÄܵĹܼÒʽ½â¾ö¼Æ»®ºÍÖǻۻ¯µÄϵͳ¼¯³ÉÄÜÁ¦£¬ÎªÈ«Çò120¶à¸ö¹ú¼ÒºÍµØÇøµÄÓû§Ìṩ²úÆ·È«ÉúÃüÖÜÆÚµÄЧÀͰü¹Ü¡£
Á˽â¸ü¶à
¥Y
Ͷ×ÊÕß¹ØÏµ
¹«Ë¾Í¨¸æ
Ͷ×ʽÌÓý
¿·¢Ò»´¥¼´·¢ ¹ÉƱ´úÂ룺000811£»¹æÄ£´ó¡¢ÁýÕÖÃæ¹ã¡¢ÒµÎñÁ´ÍêÉÆ¡¢×ÛºÏÑз¢ÄÜÁ¦Ç¿µÄÏÖ´ú»¯Ð§ÀÍÐÍÆóÒµ¡£
Á˽â¸ü¶à
¥Y
ÕÐÏÍÄÉÊ¿
È˲ÅÕ½ÂÔ
¼òÀúͶµÝ
ÕÐÆ¸ÐÅÏ¢
ÒÔ×öÈË×öÊÂµÄÆ·µÂ±ê×¼¡¢ÐÄÐØ×÷ΪʹÓõĻù´¡£¬ÒÔÊÂÇéÖÐÌåÏÖ³öµÄ²Å»ªºÍDZÁ¦×÷ΪÏȾöÌõ¼þ£¬µÂ²Å²¢ÖØ¡£¿·¢Ò»´¥¼´·¢ÓµÓÐÍêÉÆµÄÖ°ÒµÉú³¤Í¨µÀ£¬Í¨¹ýÍêÉÆµÄ¼¨Ð§ÆÀ¹ÀÌåϵºÍÁ¼ÐԵľºÕù»úÖÆ£¬ÈÃÓÐÄÜÁ¦¡¢ÓÐÔðÈÎÐÄ¡¢ÉÆÓÚÏàÖú¡¢ÄÜȺÌå¶·ÕùµÄÈË͹ÏÔ³öÀ´£¬ÎªÆäÖǻ۲ÅÖǵķ¢»Ó´î½¨Æ½Ì¨¡£
Á˽â¸ü¶à
¥Y
×ß½ø¿·¢Ò»´¥¼´·¢
×ß½ø¿·¢Ò»´¥¼´·¢
¶Ê³¤Ö´Ç
Á˽⿷¢Ò»´¥¼´·¢
Éú³¤Àú³Ì
¹«Ë¾ÈÙÓþ
¿·¢Ò»´¥¼´·¢ÎÄ»¯
Éç»áÔðÈÎ
ÁªÏµ¿·¢Ò»´¥¼´·¢
ÐÂÎÅ×ÊѶ
ÐÂÎÅ×ÊѶ
ÆóÒµÐÂÎÅ
ýÌå¾Û½¹
רÌⱨµÀ
ÊÓÆµÖÐÐÄ
¹¤ÒµÁìÓò
¹¤ÒµÁìÓò
¹¤ÉÌÖÆÀä
ůͨ¿Õµ÷
ÂÌÄÜ×°±¸
¾«ÃܳÉÐÍ
ÊýÖǹ¤Òµ
²úÆ·ÖÐÐļ°½â¾ö¼Æ»®
²úÆ·ÖÐÐļ°½â¾ö¼Æ»®
ÖÆÀäѹËõ»ú×é
¹¤ÒÕÀäÈ´»ú×é
ůͨ¿Õµ÷²úÆ·
ÎüÊÕʽ»ú×é
¹¤ÒÕÆøÌåѹËõ×°±¸
µ¥ÌåËÙ¶³¼°Õæ¿Õ¶³¸ÉÉ豸
¹¤Òµ»»ÈÈ×°ÖÃ
ѹÁ¦ÈÝÆ÷¼°¾«ÃÜÖý¼þ
ϵÁйøÂ¯²úÆ·
ÆäËüÉ豸
Á¢Òì²úÆ·
½â¾ö¼Æ»®
¼¼ÊõÁ¢Òì
¼¼ÊõÁ¢Òì
Á¢ÒìÆ½Ì¨
Á¢ÒìÄÜÁ¦
Á¢Òì½á¹û
ЧÀÍÖ§³Ö
ЧÀÍÖ§³Ö
ЧÀÍÀíÄî
ÓªÏúÍøÂç
ÔÚÏß×Éѯ
MICSЧÀÍÔÆ
×ÊÁϲéÔÄÓëÏÂÔØ
Ͷ×ÊÕß¹ØÏµ
Ͷ×ÊÕß¹ØÏµ
¹«Ë¾Í¨¸æ
Ͷ×ʽÌÓý
ÕÐÏÍÄÉÊ¿
ÕÐÏÍÄÉÊ¿
È˲ÅÕ½ÂÔ
¼òÀúͶµÝ
ÕÐÆ¸ÐÅÏ¢
רÌⱨµÀ
Á¢Òì Îñʵ ½øÈ¡ ¹²Ó®
ÆóÒµÐÂÎÅ
ýÌå¾Û½¹
רÌⱨµÀ
ÊÓÆµÖÐÐÄ
Ê×Ò³
>
ÐÂÎÅ×ÊѶ
>
רÌⱨµÀ
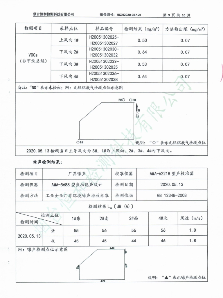
¿·¢Ò»´¥¼´·¢Çé¿öµÚ¶þ¼¾¶ÈÇé¿ö¼à²â±¨¸æ
ʱ¼ä£º2020.06.15
×ÖºÅ
ÉÏÒ»Ìõ
¡°¹¥¼á¿ËÄÑ ÔÙÕ½°ÙÈÕ¡±×¨ÌⱨµÀ
2020-07-20
ÏÂÒ»Ìõ
¹ªÉíÈë¾Ö °ÙÈÕ»áÕ½ רÌⱨµÀ
2020-05-26
·ÖÏíµ½
·µ»ØÁбí
ÍøÕ¾µØÍ¼